KNM60耐磨鋼板中合金元素與碳的作用
2021-11-23 11:33:17點擊:
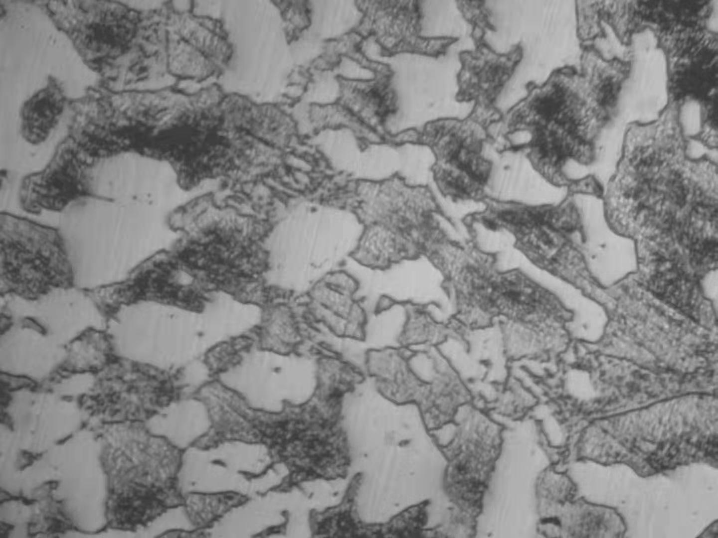
碳是影響KNM60耐磨鋼板的耐磨性的一個重要元素,那么其他合金元素與碳的作用是什么呢?在鋼中合金元素與碳是否生成碳化物,碳化物中的結構與形態對鋼的力學性能及耐磨性有很大的影響。合金元素分為碳化物形成元素及非碳化物形成元素兩類。
①碳化物形成元素有Ti、Zr、V、Nb、W、Mo、Cr、Mn、Fe 等,其碳化物的穩定次序按上述排列依次減弱。它們在生成碳化物的同時,一部分溶入鐵中形成固溶體。
碳與其他合金元素形成硬質碳化物
KNM60耐磨鋼板的碳化物晶格類型分為晶格復雜的碳化物與晶格簡單的碳化物兩類。當rc/tm>0.59(rc為碳原子半徑,TM。為金屬元素原子半徑)時形成晶格復雜的碳化物,如Fec Cr,C;、(Cr,Fe)C;、CrzC6、CrC、Mn;C、FeC、(Fe,Mn)C、FeW;C、Fe,MoC 等;當r/tu<0.59時形成晶格簡單的碳化物,如MC型的TiC、NbC、ZrC、VC、MoC、 WC、TaC 等,M_C 型的 W₂C、MozC、Ta_C等,它們比上類熔點高,具有極高的分解溫度,熱處理時不易分解,不易溶入奧氏體。
碳化物的均勻分布結構提高了材料的耐磨性
②非碳化物形成元素有NiSi、Al、Cu、Co、P、S等,它們與鐵形成固溶體,還有少量形成金屬夾雜物和金屬間化合物,如Al2O3、AIN、SiO2、FeSi、Ni,Al、MnS、(Fe,Mn);P等。- 上一篇:堆焊層硬度HRC60的耐磨復合鋼板 2021/12/15
- 下一篇:使用KN60堆焊耐磨鋼板可大幅延長設備使用壽命 2021/7/27
